描述
AP2012采用先進的溝槽技術,提供卓越的電流(On),低柵極電荷和柵極電壓低至1.8V的工作。該器件適用于負載開關或PWM應用。
一般特征
●Vos=20V,Io=12ARosjoN)<11mQ@Vcs=4.5VRosjoN)<13mΩ@Vcs=2.5V●高功率和電流能力●獲得無鉛產品●表面貼裝封裝
應用程序
●單向負載開關●雙向負載開關
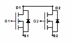
原理圖

Copyright ? 2015-2023 紹興宇力半導體有限公司
浙公網安備33060202001577
浙ICP備2020037221號-1
技術支持:藍韻網絡